Tiempo: 2023-01-12
Single turn
Conductive Plastic
Servomount

Standard Resistance Range
1K,2K,5K,10K(Ω)
Special Practical Resistance Values
500,20K,50K,100K(Ω)
Total Resistance Tolerance
Standard Class ±10%(K)
Independent Linearity Tolerance
Standard Class ±1.0%, Precision Class±0.5%, Super Precision Class ±0.25%
Resolution
Essentially infinite
Output Smoothness
<against input voltage0.1%
Contact Resistance
<2%C.R.V.
Power Rating
1.0W
Electrical Travel
320°±5°
Mechanical Travel
360°(Endless)
Insulation Resistance
>1000MΩ(1000V.D.C.)
Dielectric Strength
1 minute at 1,000V.A.C.
Starting Torque
<1.5mN·m(15gf·cm)
Resistance Temperature Coefficient
±400p.p.m./℃
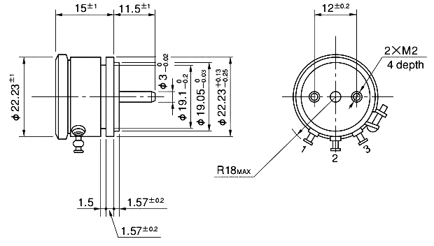
Mass
Approx. 15g
Special shaft type
Shaft with front and rear extension (Rear shaft with 3mm dia. and 10mm length), shaft dia. (φ 3.175mm) with inch dimension, special machining on the shaft
Special electrical travel
Special electrical travel
Special tap
Extra tap (Available up to 1 tap)
With stopper
Rotating angle is 320°and stopper strength is 0.3N?m [3kgf?cm]
Special gangs
Multi-ganged (Available up to 5 gangs, Housing length is extended by 8.5mm per 1 gang)