Tiempo: 2023-01-09
Magnetic rotary sensor
Economy version
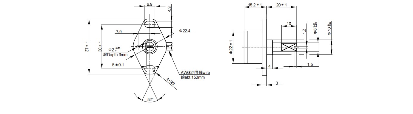
Flangemount

Mechanical angle
360º(Endless)
Protection degree
IP54
Operating torque
<5mN·m
Max.speed
1500rpm
Life expectancy
50,000,000
Mass
Approx.20g
Housing material
Anodized aluminium alloy
Shaft material
Stainless steel
Operating temperature range
-30℃~+85℃
Storage temperature range
-30℃~+85℃
ESD durability
Contact discharge ±8KV,Aerial discharge ±15KV,EN61000-4-2:2009
EMS durability
10V/m (80MHz~1GHz,1KHz80% Amplitude modulation),EN61000-4-3:2006+A1:2010
Standard model
WDH22F 0505 W360(For more input voltage/output signal such as 2410、2405、2442, please check our catalog.)
Input voltage
5V±10%
Output signal
0~100%Vcc
Current consumption (no-load)
<16mA
Output deviation of both ends
<1%·VCC
Load resistance
>100KΩ
Effective electrical angle
360º
Independent linearity tolerance
±0.3%
Resolution
4096 (12 Bit)
Update rate
0.3ms
0505
5V±10% / 0~100%Vcc
2410
15~30V / 0~10V
2405
9~30V / 0~5V
2442
15~30V / 4~20mA
Other output signals
Available for incremental、 PWM、SER、SSI、SPI signal.
Special input and output
Available for other input and output, such as 1010: 10V input, 0-10V output, 0305: 3.3V input, 0-5V output, etc.
Special torque
Low torque <0.5mN·m or high torque <30mN·m.