Tiempo: 2023-02-20
Magnetic rotary sensor (Hall effect)
High protection degree
Heavy-duty
Antimagnetic interference
Shielded cable
Reverse connect protection

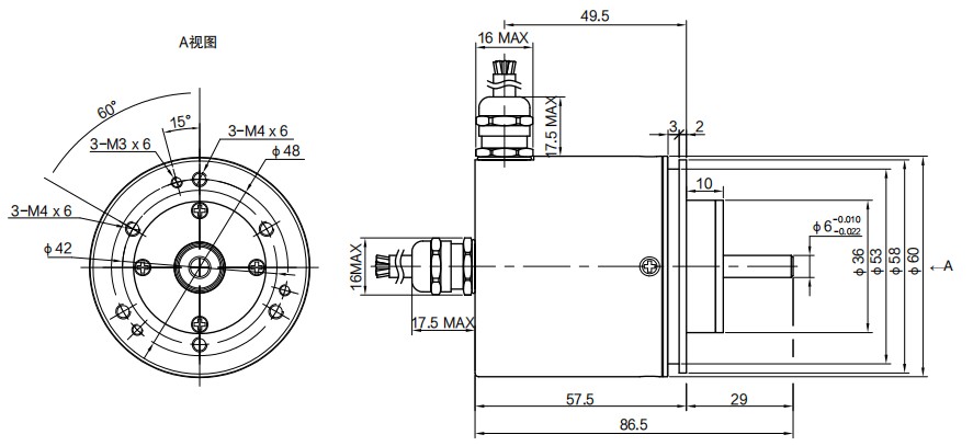
Mechanical angle
360º(Endless)
Protection degree
IP67
Operating torque
≤50mN·m
Max.speed
100,000,000
Life expectancy
Approx.330g
Mass
Aluminium alloy
Housing material
Stainless steel
Shaft material
Axial 40N,Radial 80N
Shaft load
φ6/ φ8/ φ10/ φ12
Shaft diameter
Operating temperature range
-30℃~+85℃
Storage temperature range
-30℃~+85℃
ESD durability
Contact discharge ±8KV,Aerial discharge ±15KV,EN61000-4-2:2009
EMS durability
100V/m (80MHz~1GHz,1KHz80% Amplitude modulation),EN61000-4-3:2006+A1:2010
Standard model
R58 2410 W360(For more input voltage/output signal such as 0505、2405、2442, please check our catalog.)
Input voltage
15~30V
Output signal
0~10V
Current consumption (no-load)
<25mA
Output deviation of both ends
<50mV
Load resistance
>100KΩ
Effective electrical angle
360º
Independent linearity tolerance
±0.3%
Resolution
4096 (12 Bit)
Update rate
0.3ms
Insulation resistance
> 1000MΩ (500V.D.C)
Dielectric strength
1 min (500V.A.C)
0505
5V±10% / 0~100%Vcc
2410
15~30V / 0~10V
2405
9~30V / 0~5V
2442
15~30V / 4~20mA
Special analog signals
1010:10V applied, 0~10V output, 0305:3.3V applied, 0~5V output, PWM
Other output signals
Incremental, SSI, SPI, RS485, RS422, CAN, USB
Special shaft
Special length of shaft, special diameter, special machining on shaft (like shaft slotted、fatted etc.) or blind hole