Tiempo: 2023-01-09
Single turn
Wirewound
Servomount

Standard Resistance Range
50Ω~10KΩ
Max. Practical Resistance Value
20KΩ
Total Resistance Tolerance
Standard Class ±3%(H), Precision Class ±1%(F)
Independent Linearity Tolerance
Standard Class ±0.5%, Precision Class ±0.2%, (±0.3% in case of within 1kΩ )
Power Rating
0.5W
Noise
<100ΩE.N.R.
Electrical Travel
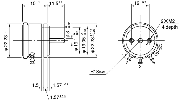
355°±5°
Mechanical Travel
360°(Endless)
Insulation Resistance
>1000MΩ(1000V.D.C.)
Dielectric Strength
1 minute at 1,000V.A.C.
Starting Torque
<1.5mN·m(15gf·cm)
Resistance Temperature Coefficient
±20p.p.m./℃
Mass
Approx.15g
Special resistance value
Lower resistance values (10Ω , 20Ω )
Special shaft type
Shaft with front and rear extension (Rear shaft with 3mm dia. and 10mm length), shaft dia. (φ 3.175mm) with inch dimension, special machining on the shaft
Special electrical travel
Special electrical travel
Special tap
Extra taps (Available up to 2 taps)
With stopper
Rotating angle is 330°and stopper strength is 0.3N?m [3kgf?cm])
Special gangs
Multi-ganged (Available up to 5 gangs. Housing length is extended by 8.5mm per gang)