Tiempo: 2023-11-01
Magnetic encoders
Any PPR up to 4096 available
High protection degree
With one couple of precision ball bearings
Heavy-duty
Antimagnetic interference
Screw&Servo mount

Protection degree
IP67
Starting torque
≤50mN·m
Max.speed
12,000rpm
Life expectancy
100,000,000
Mass
Approx.360g
Housing material
Aluminium alloy
Shaft material
Stainless steel
Shaft load
Radial 80N, Axial 40N
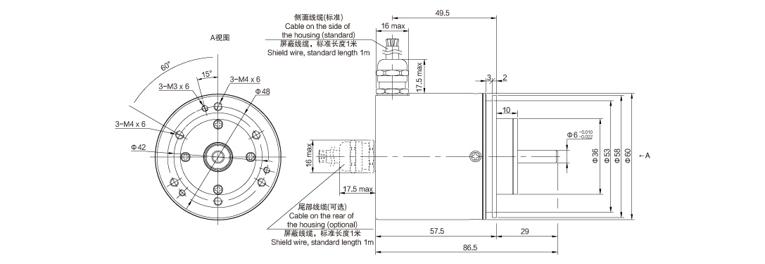
Shaft diameter
φ6/ φ8/ φ10/ φ12
Operating temperature range
-30℃~+105℃
Storage temperature range
-30℃~+105℃
Standard model
EID58A-S2-W4096P
Applied voltage
5V-30V
Output high level
>3V
Output low level
<0.25V
Output form
Push-pull output
Number of output pulse
4096 ppr
Output propagation delay
<2μs
Current consumption (no-load)
<20mA
Insulation resistance
>1000MΩ (500V.D.C)
Dielectric strength
1 min (500V.A.C)
Special shaft
Special length of shaft, special diameter, special machining on shaft (like shaft slotted、flatted etc.) or blind hole