Tiempo: 2023-01-09
Automatically return to center
With spring return device
-10V~10V voltage output, V-type voltage output and current output
Mid relay signal (voltage output)

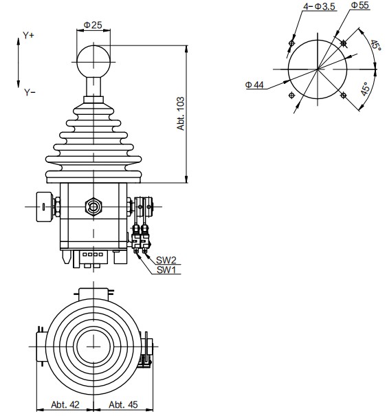
Operating angle
±30°~± 35°(From center position)
Operating method
With spring return device
Operating force
Approx. 3N~15N
Maximum allowable force
300N
Mechanical life expectancy
Approx. 5,000,000
Operating temperature
-20℃~+65℃
Storage temperature
-40℃~+85℃
Mass
Approx. 370g
Protection degree
IP54(Above panel)
24V/0V
POWER
OUT+/OUT-
Output analog signal
COM
Relay switch.COM
+R
Relay switch.'+'direction
ZR
Relay switch.middle position
-R
Relay switch.'-'direction
Input voltage
+24V.D.C.
Output signal
1.Voltage output (range adjustable);2.Mid relay signal (<±3°) ;3.Forward and backward relay signal (<-3° or >3°)
Relay rating
250V.A.C. / 5A
Load resistance
>100KΩ
Dielectric strength
1 min (500V.A.C.)
Insulation resistance
>1000MΩ (500V.D.C.)
Overvoltage protection
<20V.D.C.
Reverse polarity protection
<-10V.D.C.
Input voltage
+24V.D.C.
Output Signal
1.Voltage output (range adjustable);2.Mid relay signal (<±3°) ;3. Forward and backward relay signal (<-3° or >3°)
Relay rating
250V.A.C. / 5A
Load resistance
>100KΩ
Dielectric strength
1 min (500V.A.C.)
Insulation resistance
>1000MΩ (500V.D.C.)
Overvoltage protection
<20V.D.C.
Reverse polarity protection
<-10V.D.C.
Input voltage
+24V.D.C.
Output Signal
Current output 4~20mA (range adjustable)
Load resistance
<500Ω
Dielectric strength
1 min (500V.A.C.)
Insulation resistance
>1000MΩ (500V.D.C.)
Overvoltage protection
<20V.D.C.
Reverse polarity protection
<-10V.D.C.