Вернуться: 2024-12-09
Conductive Plastic
Servomount
Oilless Metal Bearings Incorporated
Low-cost Item
RoHS Compliant

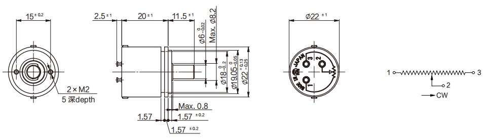
Mechanical travel
360º(Endless)
Protection grade (IP)
IP40
Starting torque
<5mN·m(50gf·cm)
Rotational life expectancy
25℃, No load at 400 r.p.m., inverting every 15 minutes 20,000,000 shaft revolutions, Total resistance value variation: <±10% against initial value,Independent Iinearity tolerance:<150% of specified value, Output smoothness: within 150% of specified value
Mass
Approx.20g
Housing material
Aluminum
Operating temperature range
-55℃~+105℃
Temperature cycle
5 cycles under -55℃~+105℃, total resistance value variation: <± 10%, No mechanical damage.
Exposure at low temperature
24 hours at -55℃, Total resistance value variation: <±5%, No mechanical damage.
Exposure at high temperature
1,000 hours at 105℃, Total resistance value variation: <±10%, No mechanical damage.
Vibration
10Hz~2000Hz, 147m/s², 12 hours, Total resistance value variation: <±2%, No mechanical and electrical damage.
Shock
490m/s², 11ms, 18 times, Total resistance value variation: <±1%, No mechanical and electrical damage.
Moisture resistance
40℃, 95%RH, 120 hours, Total resistance value variation: <±10%,Insulation resistance: >10MΩ.
Resistance temperature coefficient
±400p.p.m./°C
Standard resistance values
1k, 2k, 5k, 10k(Ω)
Special practical resistance values
500, 20k, 50k, 100k(Ω)
Total resistance tolerance
Standard class ±15%(L),Precision class ±10%(K)
Independent linearity tolerance
Standard class ±1.0%,Precision class ±0.5%
Resolution
Essentially infinite
Output smoothness
<0.1% against input voltage
Contact resistance variation
<2%C.R.V.
Electrical travel
320°±5°
Power rating
1.0W
Insulation resistance
>1000MΩ (500V.D.C.)
Dielectric strength
500V.A.C./1 min
Special shaft type
Shaft with front and rear extension (Rear shaft with 3mm dia. and 20mm length), shaft dia. (φ6.35mm) with inch dimension, special machining on the shaft
Special electrical travel
Special electrical travel
Extra tap
Extra tap (Available up to 1 tap)
With stopper
With stopper (Rotating angle is 320° and stopper strength is 0.9N?m [9kgf?cm])
Optional bearings
With ball bearings incorporated
Special protection grade (IP)
IP54