Вернуться: 2023-01-09
Magnetic encoders
High protection degree
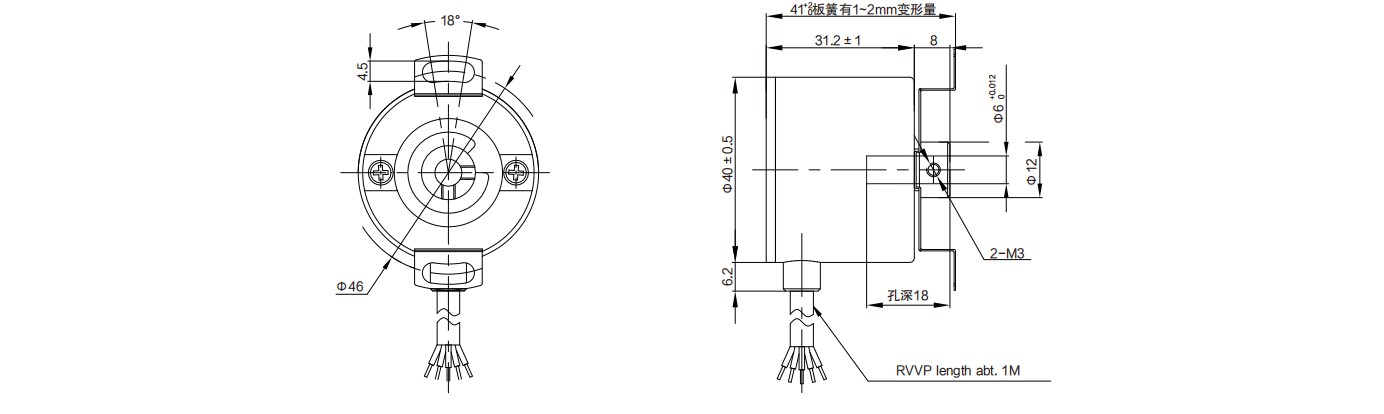
With one couple of precision ball bearings
Blind hole
Protocol Modbus RTU

Protection degree
IP67
Staring torque
<1mN·m
Life expectancy
>100,000,000
Mass
Approx.140g
Housing material
Anodized aluminium alloy
Shaft material
Brass
Operating temperature range
-40℃~+85℃
Storage temperature range
-40℃~+85℃
Vibration
100m/s²,55Hz~2000Hz (EN 60068-2-6)
Shock
1000m/s²,6ms (EN 60068-2-27)
ESD durability
Contact discharge ±8KV,Aerial discharge ±15KV,EN61000-4-2:2009
EMS durability
10V/m (80MHz~1GHz,1KHz80% Amplitude modulation),EN61000-4-3:2006+A1:2010
Standard model
EBS40B-F1-W12485
Applied voltage
9V-30V
Current consumption (no-load)
≤70mA
Single-turn resolution
4096 (12 Bit)
Protocol
Modbus RTU slave
Baud rate
1200~115200bps can be set, the default is 9600bps
Address
1~200 can be set, the default is 1
Insulation resistance
>1000MΩ (500V.D.C)
Dielectric strength
1 min (500V.A.C)
Special shaft
Special length of shaft、special diameter or special machining on shaft (like shaft slotted、fatted etc.)
Customized protocol
We can make customized protocol according to customers' requirements.