Вернуться: 2023-10-27
Magnetic encoders
High protection degree
With one couple of precision ball bearings
Heavy-duty
Antimagnetic interference
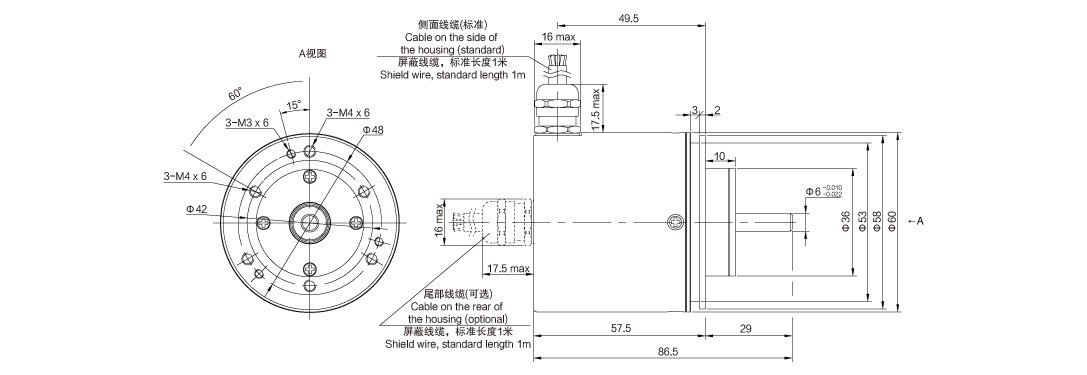
Screw&Servo mount

Protection degree
Housing case IP67;Shaft IP65, Optional IP67
Staring torque
<50mN·m
Life expectancy
>100,000,000
Mass
Approx.360g
Housing material
Anodized aluminium alloy
Shaft material
tainless steel
Shaft load
Radial 80N, Axial 40N
Shaft diameter
φ6/ φ8/ φ10/ φ12
Operating temperature range
-30℃~+105℃
"Storage
-30℃~+105℃
temperature range"
100m/s²,55Hz~2000Hz (EN 60068-2-6)
Vibration
100m/s²,6ms (EN 60068-2-27)
Shock
Contact discharge ±8KV,
ESD durability
Aerial discharge ±15KV,EN61000-4-2:2009"
EMS durability
100V/m (80MHz~1GHz,1KHz80% Amplitude modulation),
Standard model
EBSD58A-S1-W12485
Applied voltage
9V-30V
Current consumption (no-load)
≤ 70mA
Single-turn resolution
4096(12Bit);Max 16384(14Bit)
Protocol
Modbus RTU slave
Baud rate
1200~115200bps,9600bps
Address
1~200,1
Insulation resistance
> 1000MΩ (500V.D.C)
Dielectric strength
1 min (500V.A.C)
Special shaft
Special length of shaft, special diameter, special machining on shaft (like shaft slotted、fatted etc.) or blind hole
Customized protocol
We can make customized protocol according to customers' requirements.