Вернуться: 2023-01-09
Analog-readout
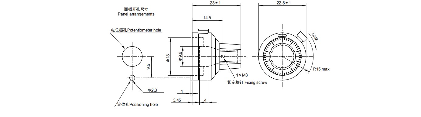
Economy version
For use with precision potentiometers or other rotating devices
With lock device

Matching shaft diameter
Standard:Φ4,Φ6,Φ6.35,Special:Φ3,Φ3.15
Number of turns-counting
15 turns (15×360°)
Readout resolution
100 per turn
Mass
5g
Operating temperature range
-25℃~+50℃
Storage humidity
93% R.H