Вернуться: 2023-01-09
With conductive plastic element
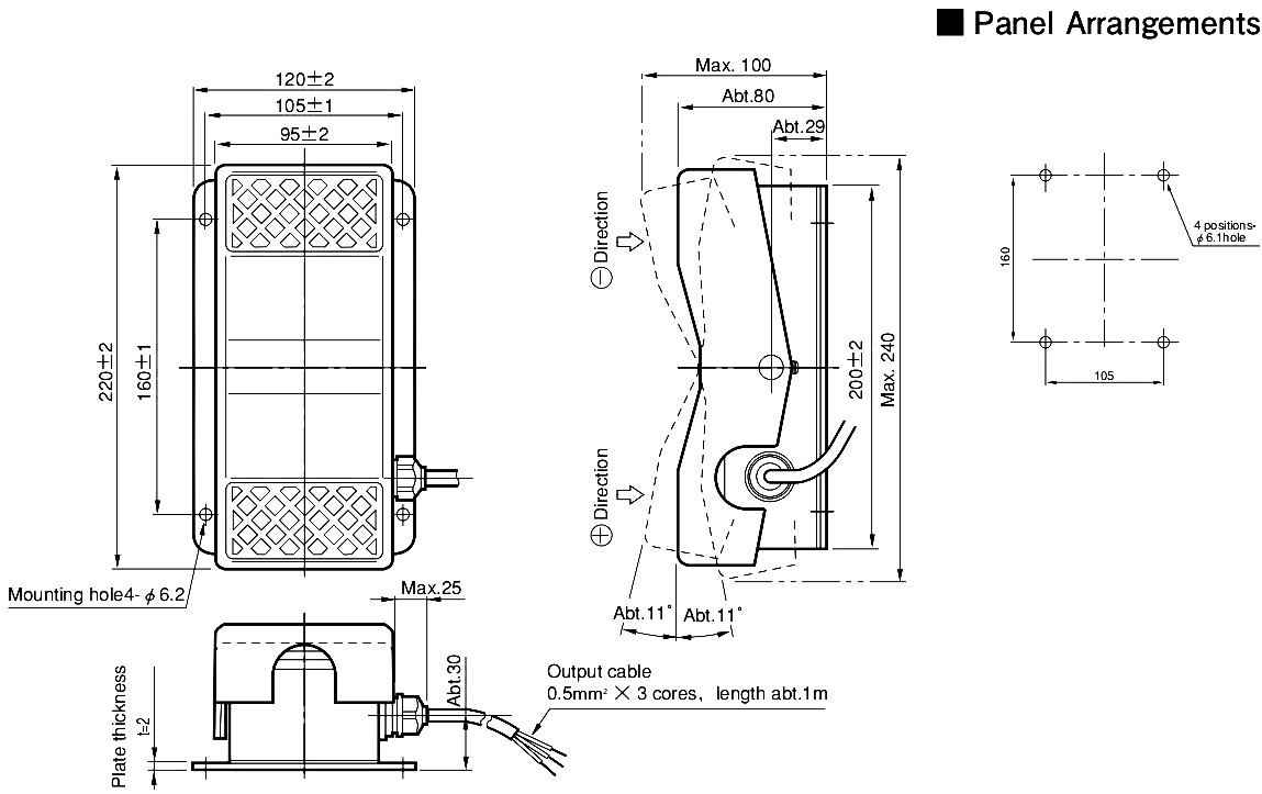
Stepping see-saw pedal type

Operating method
Stepping see-saw pedal type.
Operating angle
Approx.±11°
Operating force
Standard spring return device: Automatically return to center. Abt. 20N(Abt. 2,000gf.)
Operating temperature range
-20℃~+65℃
Vibration
10~55HZ,98m/s2
Shock
294m/s2
Life expectancy
Approx.1,000,000 operations.
Mass
Approx.1.5kg
Potentionmeter incorporated
SFCP22E,10kΩ ±20%,0.35W, independent linearity tolerance±3%(conductive plastic resistive element)
Electrical rotating angle
Approx. 75°, Center shortened zone:With a shortened zone with abt.8° in the center position
Center returning accuracy
50%±1.5%
Output smoothness
<against input voltage 0.2%
Contact resistance variation
<5%C.R.V.
Resolution
Essentially infinite
Dielectric strength
1 minute at 500V A.C.
Insulation resistance
>1000MΩ(500V.D.C.)
With swith incorporated
Regarding rating of switch, please see page 62. If you requite the pedal with one switch, unless speciffed, we supply the pedal with A version swich (code-swich with “ON” operation at about 3° flom the beginning of stepping).
Special return type
Automatically one-sided return type
Special tap
With a center tap on the incorporated pot.
With hall IC type potentiometer incorporated
Please note that if the hall IC potentiometer is used, there's no center short zone.